독일 MAN 에서 공급하는 하이브리드 시스템 > 하이브리드 시스템 자료실

지원센터

홈으로 지원센터 하이브리드 시스템 자료실

페러럴 하이브리드 독일 MAN 에서 공급하는 하이브리드 시스템

작성자관리자

  • 등록일 24-11-07
  • 조회163회
  • 이름관리자

본문

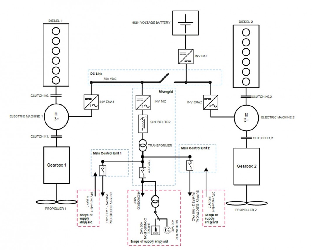
독일 MAN에서 공급하는 하이브리드 시스템 입니다

이제 우리 해상에서도 친환경 시스템을 요구 받고 있습니다. 하이브리드 시스템은 신뢰와 운항 안정성 및 조작이 간편해야 합니다.

PTI /PTO / engine MODFE / booster mode 까지 간편하게 조작이 가능하도록 시장에서 검증 받은 시스템 입니다.


첨부해 드리는 사항은 하이브리드 시스템 결정시에 고랴해야 할 사항에 대한 가이드 입니다.

이는 프로젝트 시작과 동시에 발주처 와 설계자  우리 MAN 엔지니어가 협의 결정해야 할 사항 들 입니다.

참고 하시고 친환경 하이브리드 시스템 적용을 검토하시면 언제든지 david.jo@mhtco.kr 로 연락 주시기 바랍니다.



업체명 : (주)엠에이치티ㅣ 사업자등록번호 : 265-81-02773 ㅣ 대표자 : 최정현
본사 : 경남 진주시 사봉면 산업단지로 33

부설 연구소 : 부천시 조마루로 385번길 92 부천테크노밸리U1센터 1332호
카카오톡 ID : DDAJO21
facebook 인스타그램 linkId

Copyright ⓒ (주)엠에이치티 All rights reserved.